9 Oldsmobile Wiring Diagram

9 Oldsmobile Wiring Diagram. Renault Wiring Diagrams for: Clio, Espace, Kangoo, Koleos, Laguna, Logan, Master, Megane, Scenic, Trafic and other's; EWD. Wiring Diagrams Renault with Location and Pin-Data.

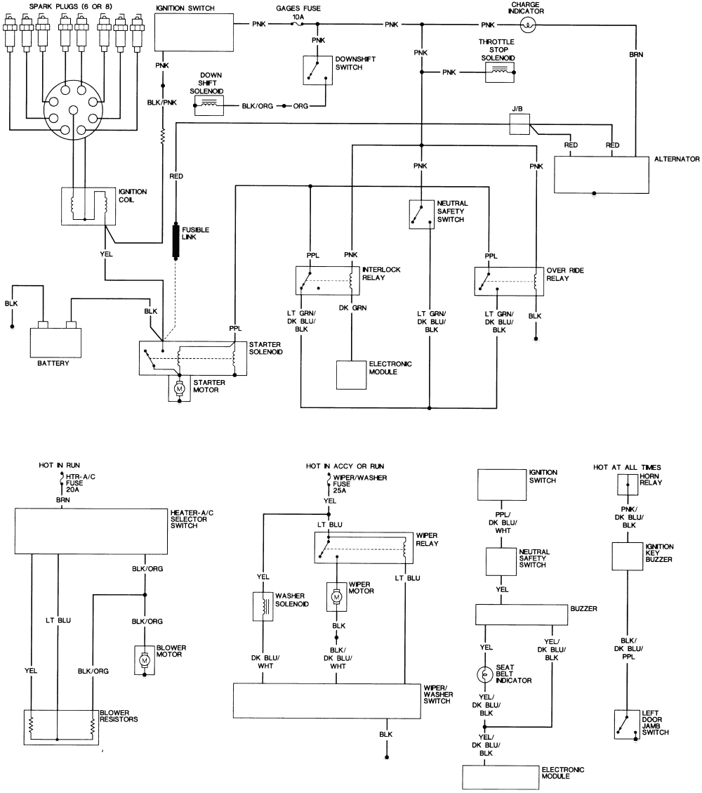
1969 Oldsmobile Cutl Wiring Diagram - Wiring Forums
1969 Oldsmobile Cutl Wiring Diagram - Wiring Forums (Herbert Allison)
I do hope this will be another useful thread and a useful resource, and to start it off with, I have attached a document which shows the Mercedes 'SPEED PULSE. Home of the Original Laminated Color Wiring Diagram! Please select the Model of your Oldsmobile to view your free vehicle wiring diagram.

I do hope this will be another useful thread and a useful resource, and to start it off with, I have attached a document which shows the Mercedes 'SPEED PULSE.

Avoid having to cut OE plugs and making a mess of it all!

Olds Intrigue 3 5 Engine Diagram - Trusted Wiring Diagrams

What is responsible to turn onthe cooling fans on a 1999 ...

1969 Oldsmobile Cutl Wiring Diagram - Wiring Forums

79 Cutlas Supreme Wiring Diagram - Wiring Diagram Networks

1969 Oldsmobile Cutl Wiring Diagram - Wiring Forums

1964 cutlass F85 Curious question - Voltage Regulator ...

Solution for:"1991 EIGHTY-EIGHT OLDSMOIBLE..." - Fixya

1967 Oldsmobile Cutl Wiring Diagram - Wiring Forums

91 olds 98 starts out in high unless I shift to low, then ...

Home of the Original Laminated Color Wiring Diagram! ACTROS Pressure Sensor "Parking Brake" Circuit Diagram. MERCEDES BENZ ACTROS Truck Wiring Diagrams.

Subscribe to receive free email updates:

0 Response to "9 Oldsmobile Wiring Diagram"

Posting Komentar