Liberty Fuse Diagram
Januari 08, 2021
Add Comment
02 liberty fuse diagram,
03 liberty fuse diagram,
04 liberty fuse diagram,
05 liberty fuse diagram,
2005 liberty fuse diagram,
jeep liberty fuse diagram,
jeep liberty fuse diagram 2003,
jeep liberty fuse diagram 2004
Edit
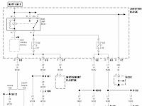
Liberty Fuse Diagram . The fuse panel is on the left side of the instrument panel. So if you are missing it too.here it is. ...
Read More